409D-24
Couldn't load pickup availability
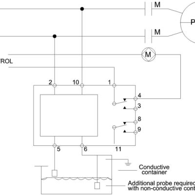
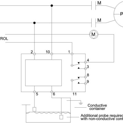
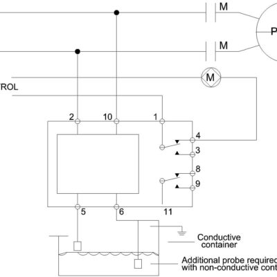
The Model 409D is a compact, socket-mount device for level control of conductive liquids. The internal relay is energized when operating power is applied. When the liquid level reaches the probe, the relay de-energizes. When the level drops below the probe, the relay will reset. A fixed, 300ms time delay prevents oscillation due to wave action. Probe cables may be shielded or unshielded. If the liquid container is made of a non-conductive material, a common electrode is required. Other features include an LED indicator to show the output relay status and an adjustable sensitivity setting. Requires a standard 11-pin octal socket (such as the Time Mark model 51X016).
| Contacts |
DPDT |
|---|---|
| Mount |
11-Pin |
| Voltage Range |
20-30VAC |
