|
|
3 Phase Power
- Electromechanical relay
- Solid-state voltage
- Phase-angle sensing circuit
- For abnormal conditions
|
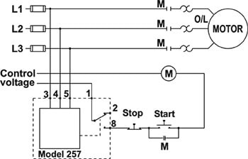
The Model 257 continuously monitors 3- phase power lines for abnormal conditions. When properly adjusted, the Model 257 monitor will detect phase loss on a loaded motor even when regenerated voltage is present.
This device consists of a solid-state voltage and phase-angle sensing circuit, driving an electromechanical relay. When correct voltage and phase rotation are applied, the internal relay will energize. A fault condition will de-energize the relay. When the fault is corrected, the monitor will automatically reset (a manual reset version is also available).
The Model 257 does not require a neutral connection and can be used with Wye or Delta systems. Voltage ranges are sufficiently wide to allow for proper adjustment to existing conditions. Both "TRIP" and "NORM" condition indicators are provided to aid in adjustment and system trouble-shooting.
| Typical Application |
Dimensions |
|
|
|